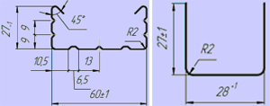
Линия для производства профилей кнауф для гипсокартона 27×28 и 27×60 — ООО «Хэбэй Фейсян»

Опыт 15 лет
750 000 руб.

Линия для производства профилей кнауф для гипсокартона 27×28 и 27×60.

Автоматическая линия для производства профиля типа КНАУФ предназначена для изготовления высококачественных стальных холодногнутых строительных профилей тиги кнауф, методом непрерывного профилирования. Производство оцинкованных металлических профилей для устройства гипсокартонных конструкций типа КНАУФ. Профиль для гипсокартона, необходим для формирования гипсокартонных каркасов, облицовочных работ, и монтажа подвесных потолков. Он представлен в нескольких видах: маячковый, угловой, потолочный, направляющий, и стоечный.

Состав линии:

  • разматыватель;
  • механизм контроля петли;
  • стан прокатный профилирующий;
  • набор сменных калибровок;
  • ножницы профильные (либо летучий рез);
  • шкаф управления;
  • гидравлическая система;
  • приемный стол.

Диаметр вала                     40мм

Материал вала                   Сталь 45 с закалкой

Материал роликов             Сталь Cr12

Корпус клети                       Стальной

Тип привода                        Зубчаной передач

Количество клетей             12шт

  • Гарантия 1 год
  • Доставка по всей территории РФ и ТС
  • Официальный дилер завода

ООО “Хэбэй Фейсян”.

Лина.

Официальный сайт:http://www.rfmtf.ru

Адрес: ул.104 г.Боту. Цанчжоу. Провинция. Хэбэй КНР (север Китая).

О Нашей компании ООО “Хэбэй Фейсян”

Наша компания официально зарегистрированная юр лицо в Китае, офис расположен г. Цанчжоу, Хэбэй (север Китая) в наличие все лицензии для ведения Импорт Экспорт бизнеса из Китая.

Общество с ограниченной ответственностью профилегибочного оборудования Фэнсян провинция Хэбэй, является ведущим предприятием на севере Китая, производящим профилегибочное оборудование.

Наша компания специализируется на производстве профилегибочного оборудования для изготовления цветной стали, оборудования C/Z-образных легких стальных строительных конструкций, оборудования для античной глазурованной плитки, производственной линии несущих пластин для здания, линий по производству композитного борта, производственного оборудования ограждений высокоскоростных шоссе и автоматического профилированного оборудования для  холодного проката и холодной гибки различных типов и др.

Мы являемся собственной завод  и сотрудничаем с клиентами из многих стран, Больше всего мы ценим качество продукции. Наши детали производятся нами, что позволяет сэкономить много денег.

Наша компания специализируется на исследованиях и разработке автоматических производственных линий для цветного стального листа (металл-черепица), C/Z-образной стальной (обрешетка) различных видов и занимает лидирующей позиции в стране и за рубежом в данной области.

Оборудование экспортируется в Канаду, Южную Корею, Россию, Нидерланды, Суринам, Шри-Ланка, Малайзия, Вьетнам, Нигерия, Танзания, Индия, Монголия, Армения, Казахстан, г. Владивосток, Боливию, Азербайджан и другие страны на международном рынке.

Отзывы
о Линия для производства профилей кнауф для гипсокартона 27x28 и 27x60 - ООО "Хэбэй Фейсян"

Моя оценка

Ваш адрес email не будет опубликован. Обязательные поля помечены *

Я НЕ Рекомендую
Цанчжоу Цанчжоу CN
Показать на карте